返回顶部
400-0377-798
在线咨询
微信二维码

发布时间:2024-05-28 14:56:01 浏览次数:396次
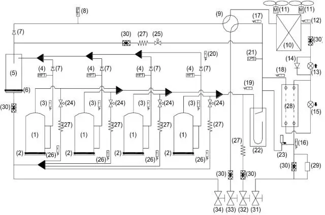
压缩机:根据系统实时需求调节转速,以实现能效管理,确保系统按需供冷/热。
压缩机油温加热带:在非工作状态维持压缩机油温,确保再次启动时的可靠性和效率。
压缩机排气感温包:监测压缩机排气温度,用于控制和保护系统,避免过热损坏。

高压开关:当压缩机排气压力超标时立即响应,切断整机电源,保护压缩机免受损害。
油分离器:有效分离制冷剂气体中的油分,维护压缩机运行的稳定性和持久性。
均油器:进一步细化油气分离,确保整个系统运行的高效与稳定。
单向阀:阻止高压气体逆流,保障压缩机安全,同时促进吸排气压力平衡。
高压传感器:实时监测系统高压状态,为压缩机保护和系统控制提供数据支持。
四通阀:实现室内机在制冷与制热模式间的快速切换。
换热器(冷凝器):位于室外,负责排放系统热量到外界环境。
风机(风扇电机):增强换热器的热交换效率,加速散热或吸热过程。
化霜感温包:专门用于检测并启动除霜过程,确保冬季制热效果制热电子膨胀阀:在制热模式下调节冷媒流量,优化热量输出。
单向阀(制冷模式旁通):在制冷模式中引导冷媒旁通,调节制冷剂流动路径。
过冷器电子膨胀阀:控制冷态运行时液管的过冷程度,减少能量损失。
过冷器液出感温包:监控过冷器出口液管温度,确保制冷剂状态适宜。
气液分离器进管感温包:检测进入气液分离器前的温度,防止单元湿运行。
过冷器气出感温包:测量过冷器气体侧温度,优化系统效能。
气液分离器出管感温包:监测分离后气体温度,反馈给控制系统调整压缩机工作状态。
环境感温包:感应室外机周围温度,辅助系统调整运行策略。
低压传感器:监测系统低压状态,防止因压力不足导致运行异常。
气液分离器:分离气态和液态制冷剂,避免压缩机吸入液态制冷剂造成损害。
卸荷阀:平衡系统压力,防止局部高压,保障管路安全。
回油电磁阀:精确控制压缩机回油,确保润滑油充足供应。
压力平衡阀:帮助压缩机顺利启动,确保启动初期的压力均衡。
回油感温包:监测回油温度,预防管路堵塞或泄露。
毛细管:利用节流效应降低制冷剂压力,控制流量。
过冷器:增强制冷剂的过冷效果,提高系统效率。
干燥过滤器:吸附系统中的水分和杂质,保护系统不受污染。
过滤器:阻挡杂质进入关键部件,保持系统清洁。
液阀:出厂时关闭,调试时需开启,用于冷媒充注路径控制。
低压测量阀:用于检测和调节系统低压状态,以及冷媒充填操作。
气阀:出厂关闭,调试时打开,是冷媒充注的另一途径。
油检测阀:维修期间检查压缩机油质,确保油品质量符合要求
【免责声明】:本文转自《制冷百科》网,转载目的在于传递更多信息,如有侵权,请联系删除。